경비지도사 2차(기계경비기획및설계) (2008년11월09일 기출문제)
1과목 : 기계경비기획 및 설계
1번
기계경비시스템의 방범감시 구역 내의 내부 침입자를 감시하는 열선감지기의 설치조건으로 옳은 것은?
2번
적외선 감지기에 대한 설명으로 틀린 것은?
3번
연기감지기의 이온화식은 어느 원리를 이용한 것인가?
4번
특정 공간의 물체가 카메라를 기준으로 일정거리에서 앞, 뒤로 이동하여도 여전히 양호한 초점상태를 유지할 수 있는 거리를 초점심도(또는 피사체심도)라 한다. 초점심도에 관한 설명으로 틀린 것은?
5번
CCTV시스템의 녹화용으로 사용되는 DVR 기능 및 특성에 관한 설명으로 틀린 것은?
6번
CCTV 시스템 설계 시 고려해야 할 사항으로 틀린 것은?
7번
카메라 렌즈 선정 시 감시 대상물(피사체)과 카메라의 거리를 계산하여 렌즈를 선정한다. 1/3인치 촬상소자를 사용한 카메라에서 피사체까지의 거리가 8 m이고, 수평 촬상범위가 4 m일 때 렌즈의 초점거리는? (단, 이미지사이즈는 4.8 mm로 한다.)
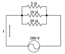
8번
다음의 회로에서 전체전류(I)는 몇 A 인가?

9번
교류회로에서 전압과 전류의 위상차에 대한 설명으로 옳은 것은?
10번
전기설비 접지의 종류 중 사용 목적이 다른 접지는?
11번
TCP(Transmission Control Protocol)의 특징을 설명한 것으로 틀린 것은?
12번
전선의 화재를 일으키는 원인 중 가장 큰 것은?
13번
다음 설명 중 옳은 것은?
14번
전송 선로의 누화 원인으로 틀린 것은?
15번
다음 중 정보통신 시스템을 분류할 때 정보전송 시스템의 구성요소가 아닌 것은?
16번
OSI 참조모델에서 정의된 최상위 계층은 어느 것인가?
17번
다음 중 근거리 통신망(LAN)인 FDDI(Fiber Distributed Data Interface)에서 사용되는 정보통신망의 구성 형태는?
18번
정보통신시스템의 신뢰성 설계의 기초요소가 아닌 것은?
19번
음성 신호를 패킷 데이터로 변환하여 인터넷으로 전화 서비스를 제공하는 것은?
20번
IPv6의 주소 공간은 몇 비트인가?
21번
화재감지기의 기종별 설치기준에 관한 설명으로 옳은 것은?
22번
옥외용 적외선 감지기의 설치 및 사용조건 중 외부요인에 의한 오보대책의 설명으로 틀린 것은?
23번
주요시설의 외곽 울타리를 감시하고자 할 때 외곽 침입감지장치 선정 원칙과 사용자의 요구사항에 관한 설명으로 틀린 것은?
24번
다음 중 전원을 공급하지 않아도 작동이 되는 감지기는?
25번
마이크로웨이브 무선망으로 영상신호를 전송하는 방식의 특징 설명으로 잘못된 것은?
26번
불안정한 전압이나 카메라 구동속도의 변화로 인하여 화면이 깜박거리는 현상으로 형광램프 사용 시 자주 나타나는 것은?
27번
보기에서 ( )안에 들어갈 용어로 가장 적합한 것은?

28번
기계경비시스템의 전송선로에 대한 설명 중 잘못된 것은?
29번
통신선로 설계 시 전력 유도 대책에 관한 설명으로 틀린 것은?
30번
자석의 자계가 코일에 영향을 주어 전류가 유발되는 현상을 전자유도현상이라 하며, 이때 코일 속에 자석을 이동시키면 기전력이 발생되고 자속을 멀리하면 자속이 줄어들게 되는 법칙은?
31번
기계경비시스템에서 사용되는 배선재에 노이즈(Noise)가 유입되어 통신 또는 신호의 장애를 받을 우려가 있는 경우에 사용되는 선재는?
32번
금속도체와 반도체에서 온도가 상승할 경우 저항의 온도 특성을 설명한 것으로 옳은 것은?
33번
전기적 에너지로 인한 열이 아닌 것은?
34번
누전 경보기의 기본 구성요소가 아닌 것은?
35번
전선의 구비조건이 아닌 것은?
36번
기계경비시스템의 방범설비공사에 설치되는 접지공사의 배선재 사용기준에 관한 설명으로 틀린 것은?
37번
두 종단간에 연결을 설정한 후에 데이터를 8비트의 바이트 스트림으로 교환하는 연결형 프로토콜은?
38번
OSI 7계층 중 네트워크 계층의 기능이 아닌 것은?
39번
광섬유 케이블의 특징 설명으로 틀린 것은?
40번
통신프로토콜의 기본요소가 아닌 것은?